Yash Engineering introduces specially developed “YASH” Helical Gear Box with in-built thrust bearing suitable for the plastic machinery.
The Company’s products are very well accepted in the field of mechanical power transmission under the brand name of “YASH”.
Our Range Includes :
- Worm Reduction Gear Boxes
- Worm Geared Motors
- Helical Geared Motors
- Shaft Mounted Speed Reducers (SMSR)
- Double Reduction Gear Boxes
- Custom – Built Gear Boxes
The Product :
Plastic Industry, at present, Uses worm reduction gear boxes in extrusion and blow moulding plants, which creates many problems during continuous production works. Like Oil Leakage, Over Heating, Noise, Wear & Tear of Bronze Worm Wheel, etc…In addition to that this gear box requires separate bearing housing to withstand thrust load of screw.
To overcome this problems we have launched specially developed Helical Gear Box with In-Built thrust bearing. Which gives you following advantages.
- No need for separate thrust housing & bearing
- Easy alignment (Screw directly fits into the bore of Gear Box as per party’s requirements)
- Easy to assemble & dismantle
- Very heavy duty spherical roller thrust bearing is used
- Cost Saving
- Power Saving. (You may save upto 20% power)
- Less Requirement of space
- For bigger sizes water cooling is provided for better efficiency of gear box.
- No maintenance required except periodic oil level checking
- Higher productivity compare to worm reducer
Gear Body
It is made of close grain cast iron, which is absolutely dust proof & oil tight.Gears
Gears are Helical type made of high grade alloy steel, which is case hardened. Teeth are hobbed on precision hobbing machine with very high accuracy profile ground hobs.Oil Seals
Silicon oil seals are used to resist very high temperature resulting from the heaters in side the barrel.Bearings
In addition to thrust bearing, Taper roller bearings are used to withstand thrust and radial loads.Lubrication
Lubrication is done by splash of oil no separate care is required except periodic checking of oil level.Use proper grade of gear oil only
Change first filling of oil after two months of operation and then after every six months.
Our Models
Model :- AEX - 2/3 (L.H.) - 80 C.D
RATIO :- 13 : 1
CAPACITY :- 2 TO 3 H.P. @ 1000RPM
NOTE :- BORE DIA "D" AND KEYWAY AS PER CLIENTS REQUIREMENTS
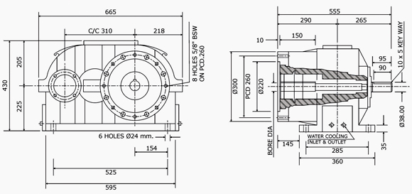
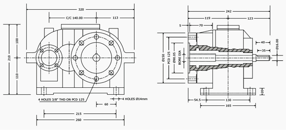
Model :- AEX - 5 (R.H.) - 100 C.D
RATIO :- 15 : 1
CAPACITY :- 5 TO 7.5 H.P. @ 1000RPM
MAXIMUM SCREW DIA :- 40.00MM
MAXIMUM SHANK DIA :- 35.00MM
NOTE :- BORE DIA "D" AND KEYWAY AS PER CLIENTS REQUIREMENTS
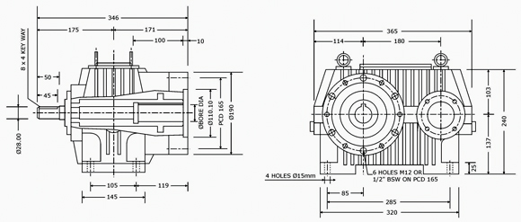
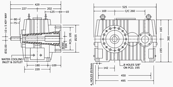
Model :- AEX - 10 (L.H.) - 130 C.D
RATIO :- 6 : 1 / 13 : 1
CAPACITY :- 7.5 TO 10 H.P. @ 1000RPM
MAXIMUM SCREW DIA :- 50.00MM
MAXIMUM SHANK DIA :- 45.00MM
NOTE :- BORE DIA "D" AND KEYWAY AS PER CLIENTS REQUIREMENTS
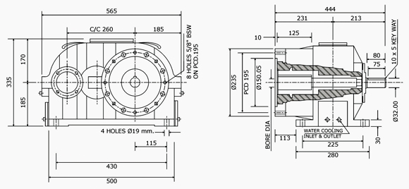
Model :- AEX - 15 (L.H.) - 150 C. D
RATIO :- 6 : 1 / 13 : 1
CAPACITY :- 10 TO 15 H.P. @ 1000RPM
MAXIMUM SCREW DIA :- 65.00MM
MAXIMUM SHANK DIA :- 50.00MM
NOTE :- BORE DIA "D" AND KEYWAY AS PER CLIENTS REQUIREMENTS
Model :- AEX -15 (R.H.) - 150 C.D
RATIO :- 6 : 1 / 13 : 1
CAPACITY :- 10 TO 15 H.P. @ 1000RPM
MAXIMUM SCREW DIA :- 65.00MM
MAXIMUM SHANK DIA :- 50.00MM
NOTE :- BORE DIA "D" AND KEYWAY AS PER CLIENTS REQUIREMENTS
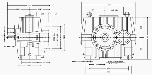
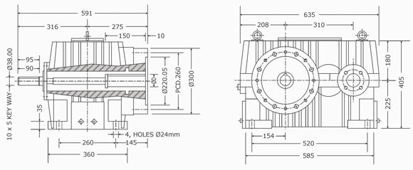
Model :- AEX - 20 (L.H.) -160 C.D
RATIO :- 13 : 1
CAPACITY :- 20 TO 25 H.P. @ 1000RPM
MAXIMUM SCREW DIA :- 75.00MM
MAXIMUM SHANK DIA :- 60.00MM
NOTE :- BORE DIA "D" AND KEYWAY AS PER CLIENTS REQUIREMENTS
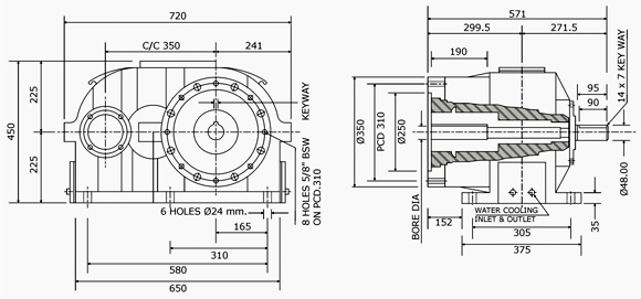
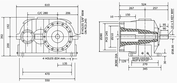
Model :- AEX - 30 (R.H.) - 180 C.D
RATIO :- 13 : 1 / 20 : 1
CAPACITY :- 30 H.P. @ 1000RPM
MAXIMUM SCREW DIA :- 90.00MM
MAXIMUM SHANK DIA: :- 70.00MM
NOTE :- BORE DIA "D" AND KEYWAY AS PER CLIENTS REQUIREMENTS
Model :- AEX - 30 (L.H.) - 180 C.D
RATIO :- 13 : 1 / 20 : 1
CAPACITY :- 30 H.P. @ 1000RPM
MAXIMUM SCREW DIA :- 90.00MM
MAXIMUM SHANK DIA :- 70.00MM
NOTE :- BORE DIA "D" AND KEYWAY AS PER CLIENTS REQUIREMENTS
Model :- AEX 40 (L.H.) - 200 C.D
RATIO :- 13 : 1
CAPACITY :- 40 H.P. / 50 H.P. @ 1000RPM
MAXIMUM SCREW DIA :- 110.00MM
MAXIMUM SHANK DIA :- 90.00MM
NOTE :- BORE DIA "D" AND KEYWAY AS PER CLIENTS REQUIREMENTS
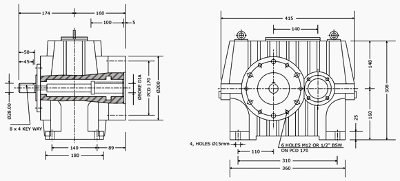
Model :- AEX - 5 (SINGLE STAGE) - 140 C.D
RATIO :- 6 : 1
CAPACITY :- 5 H.P. / 10 H.P. @ 1000RPM
MAXIMUM SCREW DIA :- 40.00MM
MAXIMUM SHANK DIA :- 35.00MM
NOTE :- BORE DIA "D" AND KEYWAY AS PER CLIENTS REQUIREMENTS
